Thông tin cơ bản vòi hoa sen TOTO TBS04302V/TBW03002B
- Mã sản phẩm: TBS04302V-TBW03002B
- Tên sản phẩm: Sen tắm nóng lạnh LF
- Bát sen massage 5 chế độ
- Áp lực nước: 0.05MPa ~ 0.75MPa
- Chất liệu: Đồng
- Lớp mạ: Nickel Chrome
Tính năng vòi hoa sen TOTO TBS042302V TBW03002B
- Thiết kế hiện đại hài hòa với dòng sản phẩm LF
- Thân van bằng đồng thau
- Van đĩa bằng sứ chống bám cặn bẩn giúp khóa nước hoàn toàn
- Công nghệ sản xuất: Nhật Bản
- Xuất xứ sản phẩm: Việt Nam
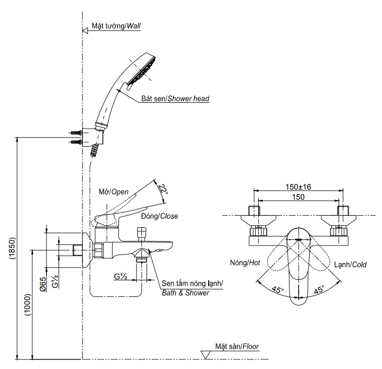
Bản vẽ bộ vòi sen TBS04302V+TBW03002B TOTO





